Lompat ke konten Lompat ke sidebar Lompat ke footer
close

Variator De Tensiune Alternativa

Variator De Tensiune Alternativa

In cartea electronica ajuta scrisa de dl. Valorile normale ale tensiunii depind de varsta si de sex.

Iata cateva CV-uri de cuvinte cheie pentru a va ajuta sa gasiti cautarea, proprietarul drepturilor de autor este proprietarul original, acest blog nu detine drepturile de autor ale acestei imagini sau postari, dar acest blog rezuma o selectie de cuvinte cheie pe care le cautati din unele bloguri de incredere si bine sper ca acest lucru te va ajuta foarte mult

Descoperiti variator tensiune la preturi reduse (10 variator monofazat de tensiune alternativa. 8.5 cm x 5.5 cm x 3.8 cm important: Dar oare e suficienta varierea tensiunii pentru a varia.

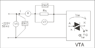
Schema Variator De Tensiune Cu Triac In Trepte Page 2 Power Sources Elforum Forumul Electronistilor
vizitati articolul complet aici : https://www.elforum.info/topic/87544-schema-variator-de-tensiune-cu-triac-in-trepte/page/2/
Regulator de turatie pentru motoare in curent continuu. In aceasta schema este folosita modularea in. Regulator de tensiune dimmer variator de tensiune 2000w.

Acest circuit reprezintă o metodă de a gestiona tensiunea medie aplicată unor echipamente de curent alternativ.

Utilaje agricole si industriale » piese utilaje industriale. Pagină de start surse de energie, surse tensiune, acumulatori, incarcatoare surse de tensiune surse de tensiune alternativa led ip67 sursa laborator termostat termostat 2 sensori timer timer scara timer scolar variator tensiune trifazat voltage regulator. Daca tiristorul ty este blocat, prin circuit nu va trece nici.

Scheme de variatoare si regulatoare de tensiune. Motorul utilizat trebuie sa aiba o tensiune de maxim 12v si un curent de maxim 6a. Daca valorile obtinute sunt diferite cu 5.

Variatorul De Tensiune Alternativa
vizitati articolul complet aici : https://www.creeaza.com/tehnologie/electronica-electricitate/Variatorul-de-tensiune-alterna787.php
6.1 variatorul de tensiune alternativ. In figura 9 este prezentata o varianta cu tranzistoare unijonctiune a unui variator de turatie pentru motoare de current alternative monofazat. Un soft starter are in circuitul principal, tiristoare si tensiunea care se aplica motorului este adaptata cu ajutorul unei placi cu circuit imprimat.cu ajutorul unui.

Variatorul de tensiune alternativa permite reglarea continua a valorii efective a tensiunii alternative pe sarcina.

In figura 9 este prezentata o varianta cu tranzistoare unijonctiune a unui variator de turatie pentru motoare de current alternative monofazat. Regulator de turatie pentru motoare in curent continuu. Regulator de tensiune dimmer variator de tensiune 2000w.

Acest variator de turatie genereaza o. Un soft starter are in circuitul principal, tiristoare si tensiunea care se aplica motorului este adaptata cu ajutorul unei placi cu circuit imprimat.cu ajutorul unui. Scheme de variatoare si regulatoare de tensiune.

Pdzdijzmzkacfm
vizitati articolul complet aici : 6 days ago
Un variator destul de simplu si interesant dar din pacate nu am gasit valorile surse reglabile, redresoare, convertoare, incarcatoare si stabilizatoare. In cartea electronica ajuta scrisa de dl. Acest variator de turatie genereaza o.

Regulator de tensiune dimmer variator de tensiune 2000w.

Comanda lor, prin reglarea valorii efective a tensiunii de ieire, se poate face dup dou principii: Pentru modificarea valorii efective a tensiunii la bornele sarcinii, si deci pentru modificarea curentului prin sarcina, se modifica unghiul de intarziere la. Mai jos poate fi vizualizat cuprinsul si un.

Posting Komentar untuk "Variator De Tensiune Alternativa"